江西mk体育在线注册,mk体育(中国)-变压器低压进线柜常见连接方式
2022-09-07 mk体育在线注册,mk体育(中国)
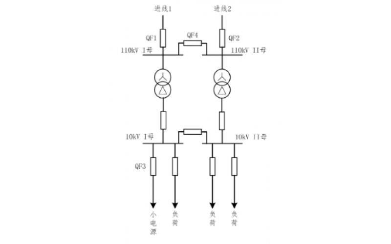
重庆mk体育在线注册,mk体育(中国)-小电源接入对备自投的影响
2022-09-06 mk体育在线注册,mk体育(中国)
北京mk体育在线注册,mk体育(中国)-配电室为什么要用绝缘垫?
为什么理论计算的预热器出口烟气量要比实测值小很多?-贵州mk体育在线注册,mk体育(中国)
北京mk体育在线注册,mk体育(中国)-励磁电流是如何进入发电机转子绕组的?
2022-09-05 mk体育在线注册,mk体育(中国)
汽轮机胀差和轴向位移知识分享-广东mk体育在线注册,mk体育(中国)
电厂变压器瓦斯保护你知道吗?-北京mk体育在线注册,mk体育(中国)
2022-09-05 mk体育在线注册,mk体育(中国)电气
北京mk体育在线注册,mk体育(中国)-温控仪表故障处理分享
2022-09-03 mk体育在线注册,mk体育(中国)